Описание
Характеристики
Отзывы
Сопутствующие файлы
Вопрос-Ответ 0
Комнатный термостат TDS со встроенным трехступенчатым регулятором скорости вращения вентилятора
Предназначен для управления водяными тепловентиляторами Греерс ВС с двигателем типа АС. Дает возможность выбора скорости вентилятора (1-2-3), а также управляет сервоприводом клапана в зависимости от температуры в помещении. При снижении температуры ниже установленной, клапан с сервоприводом открывает подачу теплоносителя, а после достижения температуры закрывает. Термостат необходимо устанавливать в месте таким образом, чтобы на встроенный внутренний датчик температуры не влияли дополнительные внешние факторы (например: солнечные лучи, дверные проемы и т.п.).
Термостат TDS применяется вместе с:
- Воздухонагревателями ГРЕЕРС ВС
- Воздушными завесами ГРЕЕРС ЗВ
- Дестратификаторами ГРЕЕРС Д
Возможность подключения:
- до 9 аппаратов ГРЕЕРС ВС 1110 I 1220 I 1230 I 1320C;
- до 3 аппаратов ГРЕЕРС ВС 2125 I 2245 I 2365 I 2340C;
- до 2 аппаратов ГРЕЕРС ВС 3275 I 33100;
- до 9 дестратификаторов ГРЕЕРС Д1;
- до 4 дестратификаторов ГРЕЕРС Д2;
- до 2 дестратификаторов ГРЕЕРС Д3;
- до 4 завес ГРЕЕРС ЗВП-М1-150;
- до 3 завес ГРЕЕРС ЗВП-М1-200;
- до 2 завес ГРЕЕРС ЗВП-М2-150;
- до 1 завес ГРЕЕРС ЗВП-М2-200;
- до 1 завес ГРЕЕРС ЗВП-М3-150.
Оборудование оснащено:
- термостатом, позволяющим плавно настроить температуру
- трехступенчатым переключателем режима работы - HEAT/FAN/COOL
- переключателем ON/OFF
- трехступенчатым переключателем скорости вращения вентилятора 1/2/3
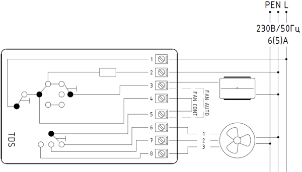
Схема подключения:

ГреерсВсе товары бренда

Характеристики
Особенности оплаты:
Доступен Яндекс Сплит (оплата частями)
Общие характеристики
Бренд:
Вид комплектующего:
Комплектующие для
для тепловентиляторов ГРЕЕРС ВС, воздушных завес ГРЕЕРС ЗВ, дестратификаторов ГРЕЕРС Д / с двигателем типа АС
Цвет:
Белый
Особенности и преимущества
Диапазон настройки температуры +10…+30° С; Диапазон рабочей температуры 0…+40° С
Гарантия:
2 года
Электропитание:
220
Тип двигателя:
Степень пылевлагозащиты:
IP30
Управление по Wi-Fi:
Нет
Комплектация
В комплекте:
Настенный регулятор, инструкция.
Монтаж (установка)
Вариант установки
Для настенной установки
Габаритные размеры
Размер (Ш×В×Г), мм:
85 × 130 × 40
Размеры в упаковке (Ш×В×Г), мм:
100 × 150 × 80 мм
Вес в упаковке:
0.35 кг
Отзывов ещё нет — ваш может стать первым.
Все отзывы 0
Спасибо!Ваш отзыв появится на сайте после проверки.
Сопутствующие файлы
- tehnicheskaya-dokumentatsiya-tds.pdf (689.82 KBytes) - Техническая документация
Подборки товаров в категории













































