Описание
Характеристики
Отзывы
Сопутствующие файлы
Вопрос-Ответ 0
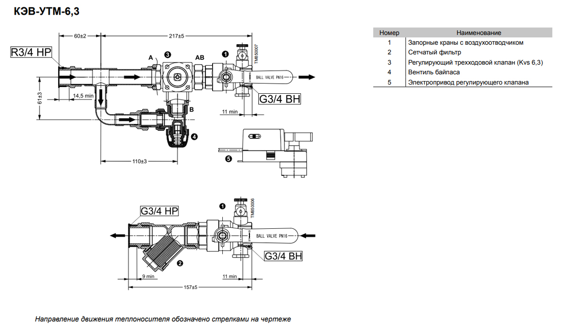
Смесительный узел КЭВ-УТМ-6.3
Предназначен для регулирования подводимой тепловой мощности в зависимости от температуры воздуха внутри помещения и является комплектующим жидкостных воздухонагревателей (воздушно-тепловые завесы, тепловентиляторы).
Функциональные возможности:
- Трехходовой клапан с электроприводом по команде термостата открывает или перекрывает поток теплоносителя, проходящий через теплообменник воздухонагревателя.
- При полностью закрытом клапане, регулирующий байпас обеспечивает постоянный проход воды, во избежание замерзания теплоносителя.
- Сетчатый фильтр на входе узла предотвращает загрязнение системы теплоснабжения механическими примесями, содержащимися в теплоносителе, а краны позволяют перекрыть отдельные участки системы теплоснабжения.
Габаритные и установочные размеры:

ТепломашВсе товары бренда

Характеристики
Вид комплектующего:
Класс электрозащиты:
II класс
Технические характеристики
Пропускная способность клапана, м³/ч
6.3
Напряжение электропитания
220 Вольт
Потребляемая мощность:
2 Вт
Степень защиты корпуса
IP54
Условия эксплуатации
Температура окружающей среды:
от +5°С до +50°C
Максимальное рабочее давление
1,2 МПа
Габаритные размеры
Вес, кг:
2.95
Размеры прибора (Ш×В×Г), мм:
310 × 140
Размеры в упаковке (Ш×В×Г), мм:
400 × 250 × 200 мм
Отзывов ещё нет — ваш может стать первым.
Все отзывы 0
Спасибо!Ваш отзыв появится на сайте после проверки.
Сопутствующие файлы
- sertifikat-smesitelnie-uzli.pdf (5.61 MBytes) - Сертификат КЭВ-УТМ-6.3
- Smesituzelie-uzli-KEV.pdf (686.87 KBytes) - Паспорт КЭВ-УТМ-6.3
- Smesituzelie-uzli.pdf (0.92 MBytes) - Описание КЭВ-УТМ-6.3
Подборки товаров в категории

















































